Diagnostyka uszkodzeń w obwodach zasilania lamp
W związku z coraz częściej pojawiającymi się zapytaniami o problemy ze świeceniem żarówek w lampach, postanowiłem zrobić nowy temat.
Opiszę tutaj, w jaki sposób sprawdzić i ewentualnie naprawić element który uległ uszkodzeniu w układzie elektrycznym.
Elementami o których mówię,
mogą być bezpieczniki, przekaźniki, przewody albo gniazda przyłączeniowe.
W opisany niżej sposób można diagnozować również inne układy zasilane napięciem 12V, między
innymi; obwody zasilania żarówek, pompy paliwa, pompki spryskiwaczy, sygnału
dźwiękowego...
W naszych autach, wszystkie układy sterowane są „plusem”.
Bezpieczniki:
W pierwszej kolejności należy sprawdzić bezpieczniki, które odpowiadają za prawidłową pracę urządzeń.
Na samym dole tego opisu, dla każdego układu zasilania danego obwodu znajdują się schemat i numery bezpieczników które należy sprawdzić.
Jeżeli bezpieczniki są sprawne, przyczyną nieprawidłowego działania układów mogą być uszkodzone przekaźniki, styki w złączkach albo gniazdach żarówek lub uszkodzone przewody.
Test napięciowy:
W pierwszej kolejności należy określić która część obwodu jest uszkodzona.
W tym celu należy zrobić test napięciowy. Będzie do tego potrzebny woltomierz lub inny
wskaźnik napięcia.
Obwód w trakcie pomiarów powinien być załączony (światła włączone).
Żeby sprawdzić, czy uszkodzony jest obwód masowy (minus), należy wpiąć woltomierz miedzy masowy styk w gnieździe żarówki a zacisk plusowy akumulatora.
Woltomierz powinien pokazać napięcie takie jak na zaciskach akumulatora. A jeżeli użyło się
wskaźnik napięcia to powinien się on zaświecić.
Jeżeli tak się nie dzieje, uszkodzenie znajduje się w obwodzie zasilania minusem
i możemy mieć problem z przewodem lub stykami.
Żeby sprawdzić, czy uszkodzony jest obwód plusowy, należy wpiąć woltomierz miedzy plusowy styk w gnieździe żarówki a masę auta.
Woltomierz powinien pokazać napięcie takie jak na zaciskach akumulatora. Jeżeli
użyje się wskaźnika napięcia to powinien się on zaświecić z tym, że w
przypadku kiedy testujemy kierunkowskazy, to wskaźnik powinien mrugać z częstotliwością wyznaczaną przez przerywacz.
Jeżeli tak się nie dzieje, uszkodzenie znajduje się właśnie w obwodzie zasilania plusem.
W obwodzie plusowym, możemy mieć problem z przekaźnikami, stykami w złączkach/gniazdach lub przewodami.
Sprawdzenie przekaźników:
Opis jak sprawdzić przekaźniki na podstawie serwisówki jest TUTAJ.
Styki w złączkach lub gniazdach żarówek:
Objawy problemów ze stykami mogą być min takie, że; żarówka w ogóle nie świeci, nie świeci pełną mocą, raz się zaświeca raz gaśnie, albo często mruga (z pełną albo z ograniczona mocą).
Metodą na tę bolączkę jest dostanie się do styków, wyczyszczenie ich (mechanicznie albo za pomocą specjalnych środków np. „KONTAKT 60”) i dogięcie blaszek/drucików tak, żeby mocniej dociskały do styków w żarówce.
Większość żarówek jest zasilana osobnymi przewodami wprost ze skrzynki bezpieczników pod deską rozdzielczą.
Dla poszczególnych obwodów, wg. poniższych obrazków:
należy sprawdzić "jakość" styków:
| Światło | Złączka | Styk w złączce | Kolor przewodu |
| Lewe mijania | G | 17 | żółty |
| Prawe mijania | F | 4 | zielony |
| Lewe drogowe | G | 15 | czerwony |
| Prawe drogowe | F | 22 | biały |
| Lewe przednie pozycyjne | G | 5 | czerwony |
| Prawe przednie pozycyjne | F | 3 | czerwony |
| Tylne pozycyjne i tablica rejestracyjna | E | 19 | czerwony |
| Sufitowe i stacyjki | K | 4 | jasno zielony |
| Przestrzeni bagażowej | E | 16 | zielony |
| Prawy tylny kierunkowskaz | E | 39 | brązowy |
| Lewy tylny kierunkowskaz | E | 40 | niebieski |
| Prawy przedni kierunkowskaz | F | 1 | brązowy |
| Lewy przedni kierunkowskaz | G | 1 | niebieski |
| Prawy boczny kierunkowskaz (w lusterku) | M | 2 | brązowy |
| Lewy boczny kierunkowskaz (w lusterku) | M | 1 | niebieski |
| STOP | E | 34 | jasno zielony |
| STOP (czujnik położenia pedału) | F | 30 | jasno zielony |
| Tylne przeciwmgielne | E | 18 | żółty |
Uszkodzenie przewodów:
Ostatnim elementem są przewody.
Większość żarówek jest zasilana osobnymi
przewodami wprost ze skrzynki bezpieczników pod deską rozdzielczą.
Jeżeli po przeprowadzeniu
powyższych pomiarów okaże się, że uszkodzony jest przewód masowy, należy
sprawdzić jego "jakość" mocowania do punktu masowego w aucie.
Jego naprawa może polegać np. na podpięciu końcówki od gniazda żarówki,
która ma ten uszkodzony przewód, do masy auta w jakimś „mocnym” prądowo miejscu.
Jeżeli w wyniku pomiarów wychodzi, że uszkodzony jest przewód plusowy należy w pierwszej kolejności sprawdzić styki w złączkach skrzynki bezpieczników pod deską rozdzielczą (podobnie jak w opisie problemów ze stykami) a później wykonać test ciągłość przewodów, zgodnie z opisem w tematach: "Testy wejściowe.../MICU" na dole strony.
Najprostszą i najmniej
profesjonalną (ale skuteczną) naprawę w przypadku
niektórych obwodów (np. postojówek) można wykonać spinając ze sobą plusy żarówek z sąsiednich lamp.
W układach o dużej mocy (np. kiedy nie działa jedna z żarówek reflektorów), można przez przekaźnik spiąć ze sobą obydwa odbiorniki (o ile zawsze pracują razem).
Przekaźnik należy zastosować po to, żeby nie przeciążyć obwodu ”zdrowej” żarówki.
Taki prosty ale skuteczny układ można zrobić tanim kosztem na postawie poniższego schematu:

Bezpieczniki:
W poniższych tabelach
znajdują się schematy układów zasilania lamp w najczęściej spotykanych wersjach
aut, wraz z numerami bezpieczników.
Bezpieczniki należy sprawdzać w kolejności podanej
przy schematach.
Niektóre bezpieczniki są
wspólne dla kilku układów;
nr10 pod deską rozdzielczą - obsługuje
kierunkowskazy i światła cofania,
nr16 pod maską silnika
- obsługuje
kierunkowskazy i tylne światło przeciwmgielne.
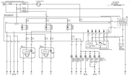
Światła mijania, drogowe i postojówki w aucie bez HID:
Światła mijania, drogowe i postojówki w aucie z HID:
Kierunkowskazy:
![]() |
Bezpieczniki; nr 22 (10A) pod maską silnika, nr 16 (15A) pod maską silnika, nr 10 (7,5A) pod deską rozdzielczą, nr 2 (50A) pod maską silnika. |
Światła STOP:
![]() |
Bezpiecznik; nr 21 (15A) pod maską silnika. |
Światła cofania:
![]() |
Bezpieczniki; nr 10 (7,5A) pod deską rozdzielczą, nr 2 (50A) pod maską silnika. |
Światła przeciwmgielne:
Oświetlenie wnętrza:
![]() |
Bezpiecznik; nr 17 (7,5A) pod maską silnika. |
Sterowanie lusterkami:
![]() |
Bezpieczniki; nr 36 (10A) pod deską rozdzielczą (wspólny z podgrzewaniem lusterek), nr 2 (50A) pod maską silnika, Bezpiecznik podświetlenia przycisków; nr 1 (7,5A) pod deską rozdzielczą. |
Ogrzewanie lusterek:
![]() |
Bezpieczniki; nr 36 (10A) pod deską rozdzielczą (wspólny ze sterowaniem lusterkami), nr 2 (50A) pod maską silnika. |
Testy wejściowe/MICU:
Jeżeli na podstawie powyższych informacji nie uda się określić uszkodzenia, pozostanie jeszcze wykonanie testów oświetlenia/MICU (ciągłości przewodów) dla poszczególnych układów; "Test wejściowy świateł zewnętrznych/MICU", "Test wejściowy kierunkowskazów/MICU" i "Test oświetlenia wnętrza/MICU".
Jeżeli i to nie pomoże, pozostaje już chyba tylko serwis...